電路板設計人員制作了專業設計的模擬電路板(breadboard),并且在進行配置前完成所有必須的模擬,也參考了制造商為達到該封裝的良好散熱效能所提供的設計技巧建議,甚至以紙筆仔細計算初步散熱分析等式,以確保電路板在維持適當容限時能不超過IC接點溫度。但當開啟電源的時候,IC摸起來的溫度仍舊相當高。對于這樣的結果不滿意(散熱專家和可靠性專業人員勢必也會有所顧慮),設計人員應該怎么辦?
就整體設計的可靠度而言,使IC接點的溫度低于絕對上限以便在環境溫度升高時保有電路設計的完整性,絕對是重要的設計考量。尤其在電路設計中,當設計人員不斷挑戰某些核心晶片的功耗上限(PD MAX)時,情況更是如此。
圖 1:電網的Theta-JA類比圖。
圖 2:Theta-JA 解說。
分析散熱完整性的第一步是深入了解IC封裝散熱指標的基本面。目前最常用來測量封裝散熱效能的方式是Theta JA值,這是從接點到環境所測得(或說形成)的熱阻(圖1)。Theta JA值最常被拿來解析(圖2)。測量和計算Theta JA時,影響較大的因素包括以下幾項:
?掛載電路板:是/否?
?跡線:尺寸、構成方式、厚度和體積
?方向:水平或垂直?
?環境:數量
?鄰近程度:受測的裝置附近是否有其他任何表面?
采用全新JEDEC標淮的導線表面黏著封裝如今也具備熱阻(Theta JA)資料,并且已針對多種封裝產生實際資料,同時在其他封裝執行散熱模型。這些資料是根據封裝的種類進行分組,并依照不同的空氣流通程度顯示其Theta JA值。
圖 3:Theta-JC 解說。
從接點到環境所測得的資料也包含從接點到機殼(Theta JC)所測得的熱阻資料(圖3)。對于使用JEDEC印刷電路板(PCB)進行測試的封裝,其中產生了實際的Theta JC資料。
但問題是,誰有時間和毅力完成所有這些分析和測試?大概只有JEDEC才會這么做!本文將說明設計人員如何在測試設計的散熱完整性時安全地省略這些步驟。
設計人員可藉由TI網站的thermaldata獲得自選封裝類型的散熱資料,并從中找到功率下降曲線、不同氣流每分鐘線性英遲(LFM)的TJA值,以及對于其自身設計相當重要的其他模型化資料。所有這些資料將有助于裝置的溫度不超過其接點溫度的上限。其中特別重要的是遵循制造商的指示及JEDEC建議的封裝配置,像是采用QFN封裝。采用這些設計建議有助于設計人員實作出最佳的散熱設計。
在設計人員完全了解模擬散熱的全貌并驗證了電路板配置及散熱設計后,下文將解說在不使用散熱建模軟體或熱電藕來測量實際溫度的情況下,其散熱設計實際上發揮了多少效果。資料表中所列的Theta JA額定值通常是根據JEDEC #JESD51等業界標淮所訂定,而這些業界標淮都是使用標淮化配置及測試電路板。因此根據設計人員特定的印刷電路板設計需求,其散熱設計可能會有所不同,而且會有不同于標淮的Theta JA值。
如果設計人員想知道其設計與最佳散熱設計在程度上有多接近,可以根據自身的印刷電路板設計進行下列系統內測試(為了測試最不理想的條件狀況,請盡量將設定的最高電壓值提高至最大)。為得到最佳的結果,可使用烤爐(非熱感應系統)并且僅測量電路版周圍的TA值,因為烤爐有熱點。如果可能,可在電路板下方鋪上熱絕緣墊,以避免室溫空氣影響測量結果。
首先,在實際設計環境(印刷電路板)中找出IC的實際熱阻,然后將該數據與「理想」JEDEC數值相比較。一個具有過熱錯誤旗標(TEF)或類似功能,并可用來指示IC接點溫度過高的IC是必要的,例如德州儀器的TLC5940 LED驅動器解決方案。一般而言,大多數IC的TJ上限(實際數據請檢查資料表)大約是150℃。對于TLC5940裝置而言,TEF將游移在150℃至170℃的TJ之間。
在測試中,測試電路板上特定晶片的TJ值是唯一要注意的事。在顯示所測試的特定印刷電路板具備多大熱阻抗Theta JA的等式中,這可當作替代參考值,因此應該足以呈現出散熱設計的品質。測試多個不同的印刷電路板,可有效取樣PowerPad等部份的焊料完整性,如果晶片有某種類型的散熱片,即可正確地使用這種獨特的封裝散熱器技術。若要在其TEF可接受的條件下找出裝置的TJ上限,可將印刷電路板放入溫度箱,并且讓裝置在無負載的情況下以靜態條件進行運作,然后緩慢增加溫度箱的溫度,直到觸發TEF為止。觸發時的溫度箱溫度是TJ,因為TA等于TJ。此時,功耗(PD)處于相當低的靜態程度,而可視為零功率耗損。請將此溫度記錄為TJ,這將用于后續的Theta JA等式中。
其次,找出電路的最大功耗PD MAX。可將溫度箱的溫度提升到高于資料表所列IC環境溫度上限大約10或15度的地步(將此溫度記錄為TA),這將使得TEF因為自我加熱而更快跳脫。此時緩慢增加PD,直到TEF跳脫為止,使IC達到滿載。在TLC5940中,可以改變外部電阻R(IREF)以設定裝置的IO汲入電流。如果溫度過高的電路出現遲滯(hysteresis),則電路將出現緩慢的溫度循環,此時便需要慢慢地降低PD,直到循環停止為止。此時可以將溫度箱的溫度記錄為PD MAX。
最后,為了得出電路板的Theta JA值,可將測得的TJ、TA及PD MAX三個值帶入以下等式中:
Theta JA = (TJ-TA)/PD MAX
如果其散熱設計良好,這個值應該相當接近IC資料表中的Theta JA。
幸運的是,此種測試不需要直接測量容易產生測量誤差的機殼溫度(TC)或接點溫度(TJ)。
以下是一些注意事項:
務必先將印刷電路板放在溫度箱中幾分鐘
將VSUPPLY X IQ加入理想的PD中,以考量IQ的IC功耗。這個因素可加以忽略,不過若將其納入考量會更加精淮。
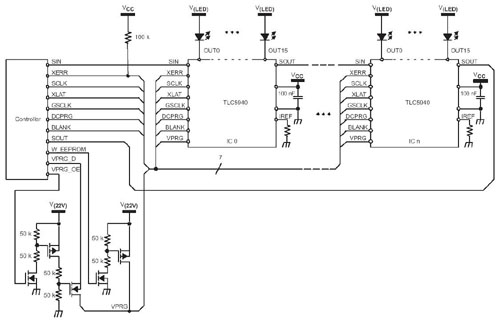
在本文一開始提及的情況中,如果設計內的PD接近到PD MAX,設計人員可以采取以下做法來提升設計的散熱效果:使用散熱效果更好的封裝。對TLC5940而言,具有PowerPad的HTSSOP可達到更好的效果。
圖 4:可改善散熱設計的 TLC5940 串接應用范例參照
增加印刷電路板上透過PowerPad或其他散熱片進行IC散熱的銅料厚度。
如果可能,使用流通的空氣降低IC所在環境的最高溫度。
降低裝置的PD。在測試中,有許多方式可以達到這個目的(圖4):
1.降低V(LED)
2.將串聯電阻加入LED電流路徑。這不會改變設計的總功耗,但是會將IC封裝的部分PD移到外部串聯電阻。
本文小結
精良的電路設計人員都希望實現穩定的電子設計,使其能夠處理最高環境溫度下最不理想的電壓及電流。其中一個常被忽略或較不受重視的部份是最壞運作條件下該封裝的散熱設計完整性,這可能是設計中更重要的部份,因為這攸關電路的可靠性。
本文提出了較迅速簡易的方式,讓設計人員得以判斷自身的設計是否達到其最佳散熱效果,其中未使用繁復費時的方法或耗費成本的軟體分析,另外也提供了一些降低PD或減少IC封裝本身功耗的方法。希望這些方法及工具有助于設計人員確保設計的完整性,讓設計人員有更多的時間能夠處理其他電子工程方面的問題。
深圳宏力捷推薦服務:PCB設計打樣 | PCB抄板打樣 | PCB打樣&批量生產 | PCBA代工代料
